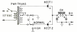
We found this circuit in Radio Electronics magazine from May 1962. The circuit uses rectifier diodes, and the output voltages depend on the transformer used.

We found this circuit in Radio Electronics magazine from May 1962. The circuit uses rectifier diodes, and the output voltages depend on the transformer used.
