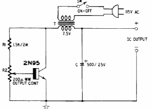
Found in a publication from the 60's, this power supply has no regulation, but only current intensity adjustment, the transistor also functioning as a rectifier.

Found in a publication from the 60's, this power supply has no regulation, but only current intensity adjustment, the transistor also functioning as a rectifier.
