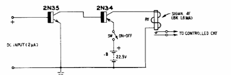
As an improvement of the previous circuit, we have this version with two transistors. Voltage and relay can be changed, and we must place a 10k resistor in series with the input.

As an improvement of the previous circuit, we have this version with two transistors. Voltage and relay can be changed, and we must place a 10k resistor in series with the input.
