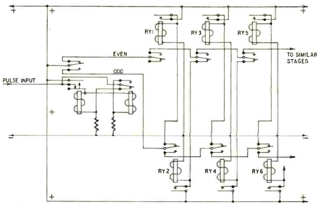
This interesting digital counter with relays with complementary outputs was found in the Radio Electronics magazine of October 1961. The supply voltage is in accordance with the relays used.
The circuit shown in the figure is suggested by AllegroMicro (www.allegromicro.com) and consists of an...
This is the well-known lightning lamp that was published in the March 1988 issue of Saber...
The circuit shown in the figure can serve as a basis for frequency meters, clocks. Stopwatches and many other...