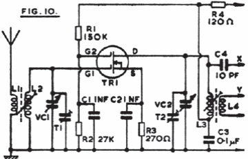
Found in an old English publication this circuit uses a dual gate MOSFET. Coils not specified.
This simple TTL circuit indicates which was the first to press one of the four pressure switches. The...
This circuit was found in Motorola documentation from 1968. Transistors can be modern equivalents, just...
In this circuit, a unijunction transistor controls a multivibrator providing a rectangular signal...