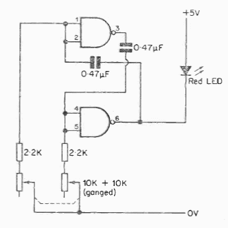
In the old original version of this circuit from 1989, the LED is common (we recommend 330-ohm resistor in series). In a modern version, a power stage with a high-brightness LED can be used.

In the old original version of this circuit from 1989, the LED is common (we recommend 330-ohm resistor in series). In a modern version, a power stage with a high-brightness LED can be used.
