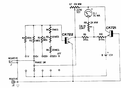
This two-transistor voltmeter was found in an American documentation from the 60's. The transistors are made of germanium. The circuit uses a 10 uA instrument.

This two-transistor voltmeter was found in an American documentation from the 60's. The transistors are made of germanium. The circuit uses a 10 uA instrument.
