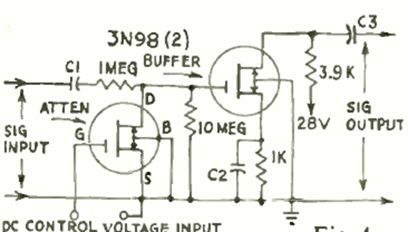
This circuit has its gain determined by the control DC voltage. The circuit is from a Radio Electronics from May 1967. The gain can be adjusted up to 60 dB or 70 dB of attenuation. The transistors are MOSFETs of the time.

This circuit has its gain determined by the control DC voltage. The circuit is from a Radio Electronics from May 1967. The gain can be adjusted up to 60 dB or 70 dB of attenuation. The transistors are MOSFETs of the time.
