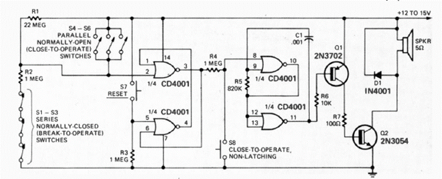
This alarm with NO and NC sensors was found in the January 1975 Radio Electronics magazine. The circuit emits a powerful sound that depends on the output transistor.
This circuit meets applications in remote control. It allows to control a motor from input pulses. The...
This circuit emits a warning sound when night falls. The circuit is from a Hands On Electronics from...
This circuit can operate between frequencies from 1 to 15 MHz depending on the coil. For 3.5 MHz...