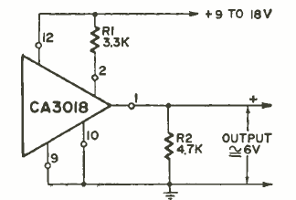
We found this circuit in the August 1970 issue of Radio Elecronics magazine. It uses the CA3018 integrated circuit released at the time by RCA. The internal transistors Q3 and Q4 of the transistors work as a zener.

We found this circuit in the August 1970 issue of Radio Elecronics magazine. It uses the CA3018 integrated circuit released at the time by RCA. The internal transistors Q3 and Q4 of the transistors work as a zener.
