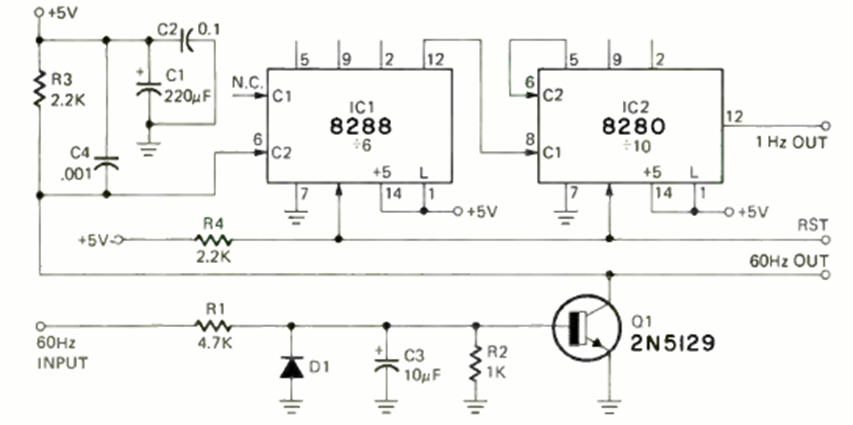
We found this time base circuit in a timer project from the August 1972 Radio Electronics magazine. The circuit takes advantage of the 60 Hz signal from the power grid.
We found this ladder-shaped signal generator circuit in Radio Electronics magazine from August 1966....
This powerful regulator, shown in the figure is for 5V (TTL) is suggested by Motorola and makes use...
The L3 coil is what basically determines the resonant frequency, around 1 MHz, in this oscillator found...