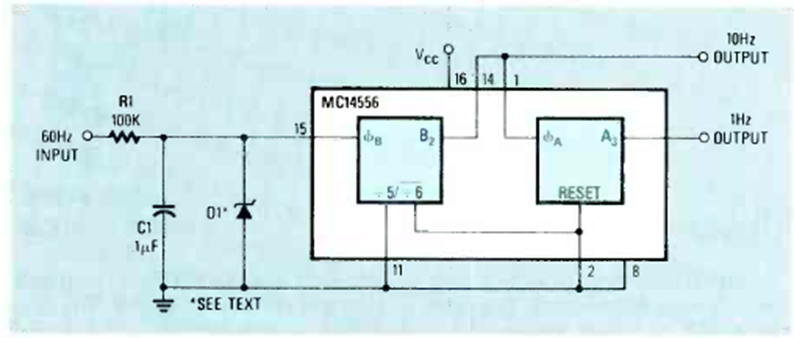
This time base circuit was found in the January 1988 issue of Radio Electronics magazine. The output signals are 1 Hz and 10 Hz TTL.
We find this circuit in American documentation from the 1980s. The accuracy of the circuit depends on the...
The presented circuit uses a symmetrical power source to supply an amplifier with the LM139 or...
High quality sound can be obtained from this transistor amplifier. The output transistors must be...