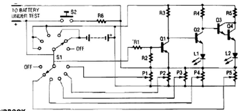
This test circuit was found in the PE Hobbyst Handbook in a 1990s edition. The circuit tests the battery under load. The load, as the battery is selected by the switch.
We found this test circuit in a March 1967 Radio Electronics. The circuit uses a zener-regulated supply and...
We found this circuit in a 1995 publication. It applies to transceivers in the citizen's range (11...
The figure shows how to associate flip-flops in a shift register to obtain a lower frequency...