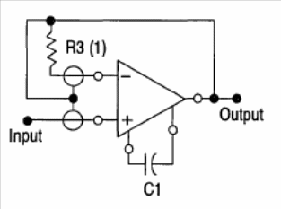
Other operational amplifiers can be used on this unit gain amplifier. The circuit is from the 1993 Motorola Linear Interface ICs. The power supply must be symmetrical and the shields (guard rings) are indicated in the diagram to avoid noise pickup.

Other operational amplifiers can be used on this unit gain amplifier. The circuit is from the 1993 Motorola Linear Interface ICs. The power supply must be symmetrical and the shields (guard rings) are indicated in the diagram to avoid noise pickup.
