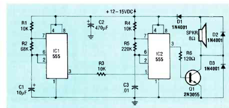
We found this alarm circuit in a Radio Electronics magazine from July 1990. The power transistor must be equipped with a heat sink.
This circuit is the transmitter for the previous project and also for what will come next. It is a...
This circuit was suggested by General Electric in 1969 documentation. It provides a maximum output of...
Found in an English documentation, this circuit provides a 50 Hz signal according to the local...