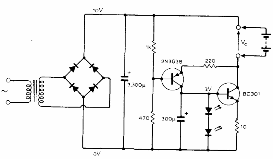
This charger is from an old publication of 1975. The PNP transistor can be the BC558 and the NPN the BD135 with a small radiator. The load current is 200 mA but can be changed by the 1 ohm resistor. The transformer is 200 mA x 12 V and the diodes can be 1N4002.




