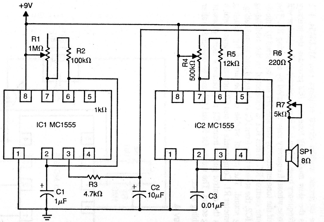
We found this circuit in an American publication from the 1970s. The MC1555 is the version of the 555 of the time. The common 555 can be used in the circuit. In this version, the power is low because there is no amplification step, but the signal from pin 3 of IC2 can be applied to a step with a transistor like the BD135 for greater sound intensity. The circuit can be powered by voltages from 6 to 12 V and the components can have their values changed to modify the effect.




