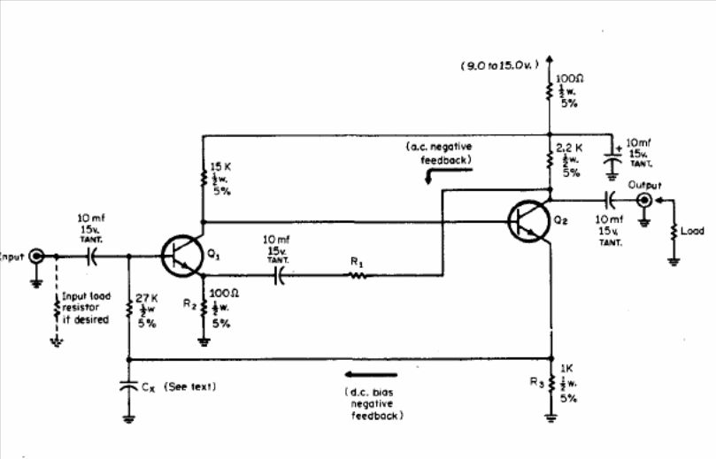
The circuit shown is from a 1972 publication. Transistors can be current types like 2N2222. The gain is adjusted by the value of R1 and can be between 38 and 44 dB. The load is 1 k ohms, and the maximum signal amplitude is 1 Vpp. Among the applications for this circuit we can mention the use with photodiodes and other sensors. Cx can be a 100 pF capacitor, preferably mica.




