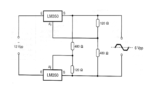
National Semiconductor suggests the circuit in the figure for stabilizing the peak value of an alternating voltage. The circuit is calculated so that the peak voltage is 6 V, however, modifications can be made to obtain the adjustment in other values. The circuit receives an alternating 12 V peak-to-peak input and provides a 6 V peak-to-peak output voltage with a maximum current of 3 amps. Integrated circuits must be mounted on heat radiators.




