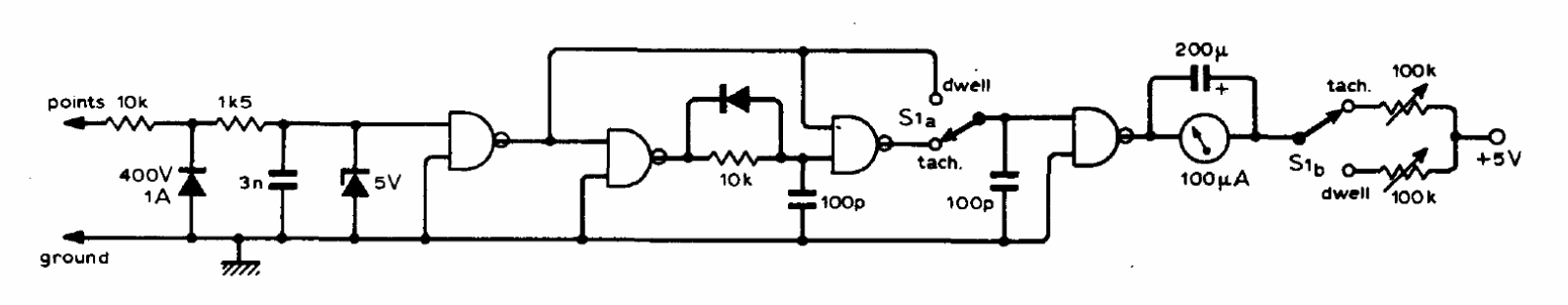
This circuit was obtained in a 1975 documentation. It is intended for old vehicles that still use platinum, from where the signal was taken. The circuit must be powered by 5 V that can be obtained from a 7805 regulator. The circuit also measures the open angle of the contact breaker.




