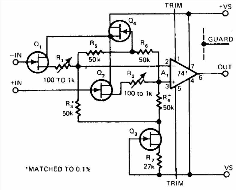
This circuit requires an input current of only 20 fA (femto amps) which corresponds to a resistance of 1015 ohms. The FETs can be the BF245 and the power can be made with a symmetrical source of 6 or 12 V. The circuit requires extreme care with the layout given its enormous sensitivity.




