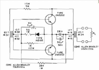
This circuit was found in the 1972 RCA Power Transistor Databook. Transistors can be replaced by current high current equivalents and transformers are the critical elements of the project. The input is for 28 V, but the circuit can be modified to operate with other voltages. Transistors must be equipped with good heat radiators.




