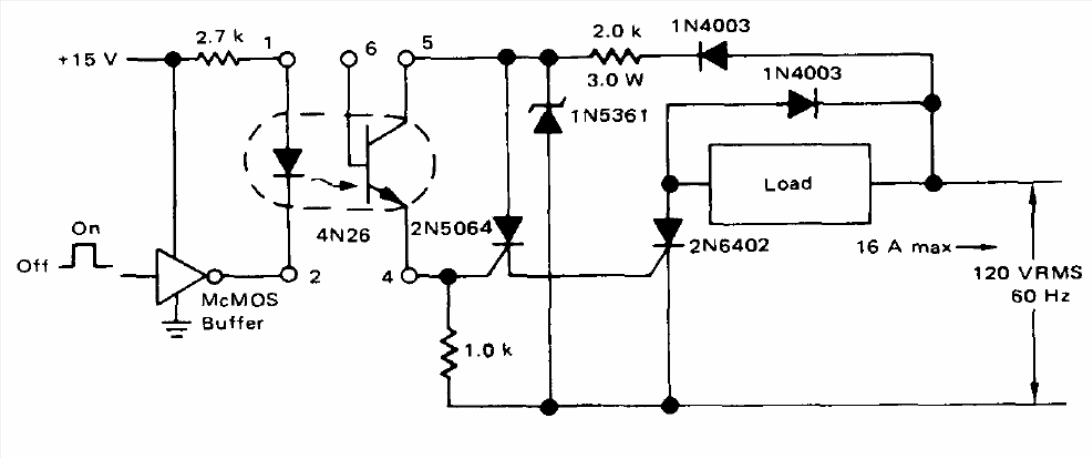
This circuit is from a 1976 Motorola power semiconductor manual. In it we have the optical interface for the control of high-power loads, according to the SCR used for industrial applications. The circuit can be modified to use other SCRs.
This circuit is from a 1976 Motorola power semiconductor manual. In it we have the optical interface for the control of high-power loads, according to the SCR used for industrial applications. The circuit can be modified to use other SCRs.