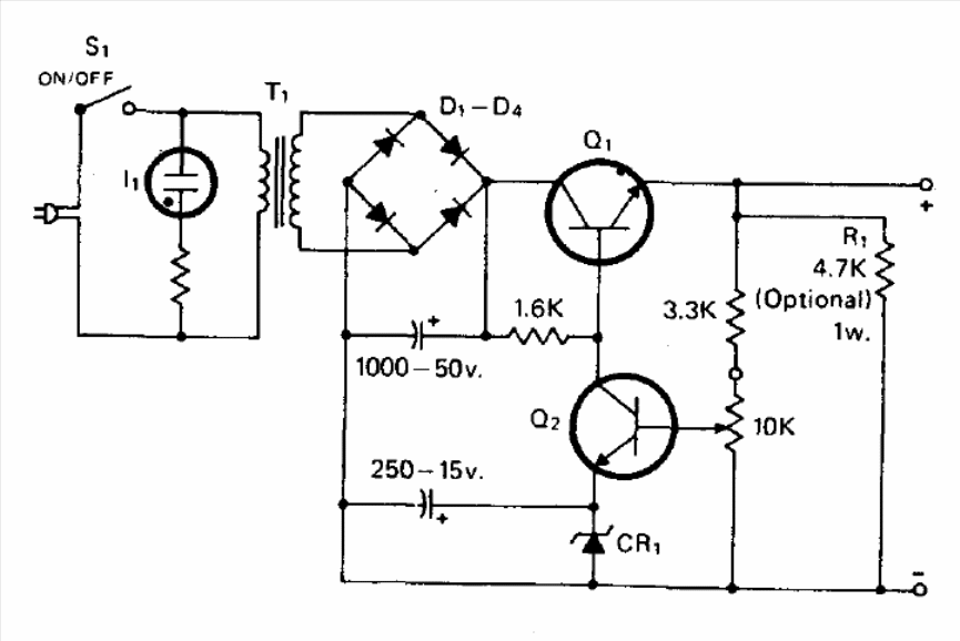
We found this circuit in a 1977 technical documentation. The circuit can use a TIP31 for Q1 and a BC547 for Q2. Q1 must be mounted on a heat radiator and the bridge diodes can be 1N4002. The transformer has a 24 V x 500 mA secondary.
We found this circuit in a 1977 technical documentation. The circuit can use a TIP31 for Q1 and a BC547 for Q2. Q1 must be mounted on a heat radiator and the bridge diodes can be 1N4002. The transformer has a 24 V x 500 mA secondary.