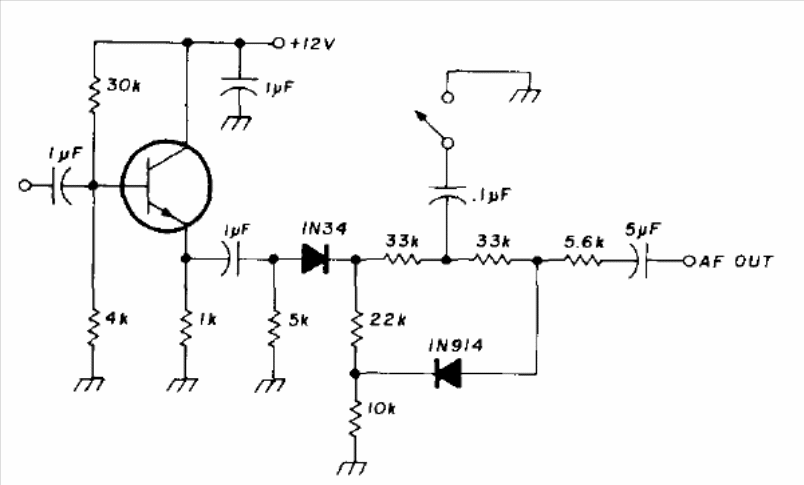
The action of this circuit, found in a 1977 amateur radio documentation, is like to a delay line. The transistor can be the BC548 and the general-purpose germanium diodes. The components can be changed to modify the action of the circuit.
The action of this circuit, found in a 1977 amateur radio documentation, is like to a delay line. The transistor can be the BC548 and the general-purpose germanium diodes. The components can be changed to modify the action of the circuit.