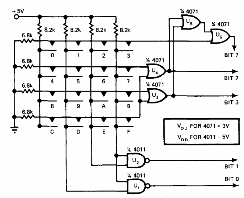
We found this CMOS circuit in a 1978 publication. It allows you to use a standard calculator keyboard with 16 keys for encoding in hexadecimal.
This circuit detects the body's heat emissions and can trigger a load, for example, a solenoid or an...
This adding amplifier with the operational LM324 is from the SGS integrated circuits manual of...
This circuit is from the 1994 Linear Applications Handbook by National Semiconductor. The circuit can...