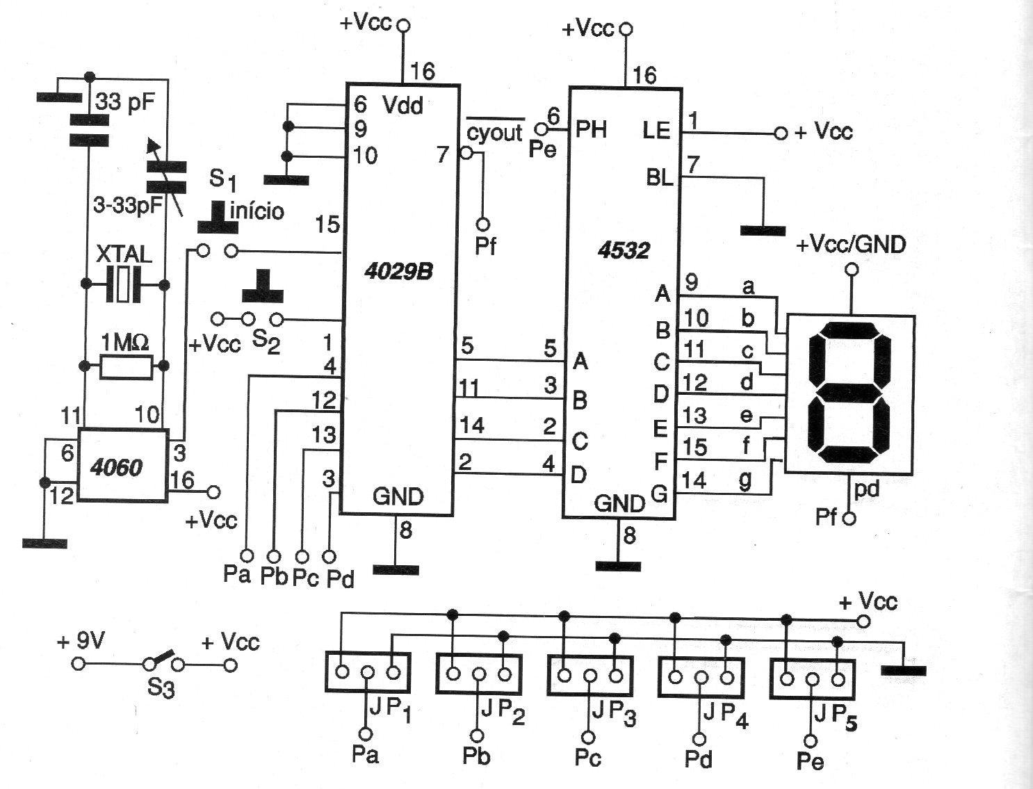
We found this circuit in a 2002 documentation. This die shows numbers 1 to 6 on a common anode display when the switches S1 and S2 are pressed. The circuit can be powered by voltages from 5 to 12 V.
This capacimeter was obtained in European documentation from the 1980s. The indicator instrument, a...
This circuit for the logic control of the 555 in a power supply was found in the October 1989...
This configuration with the LM111 was found in your factory manual. The circuit can be implemented with...