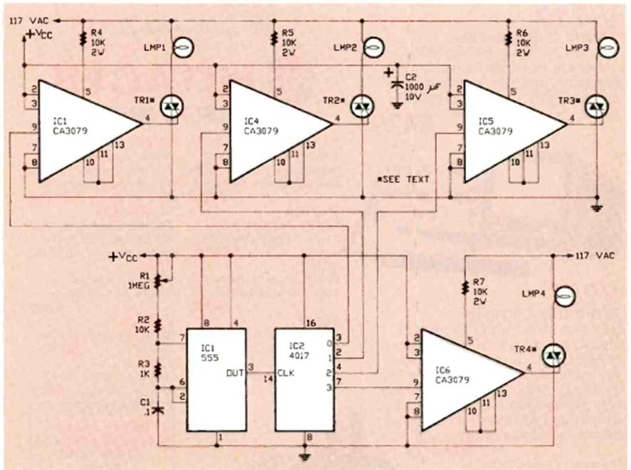
We found this circuit in the February 1987 issue of Radio Electronics magazine. It is based on an integrated RCA triac trigger available at the time. The circuit powers 4 incandescent lamps.
This circuit was found in a 1992 publication. Its purpose is to time the activation of a doorbell...
This automotive circuit was found in the June 1997 issue of Electronis now magazine. The circuit uses...
This oscillator was found in the January 1996 issue of Electronics Now magazine. The frequency is given by...